DELEKS S.r.l.
Via Industriale, 23
25028 Verolanuova (BS) Italy
Tel. 030 6585725
Mail info@deleks.com
Lun - Ven: 9.00-13.00 / 14.00-18.00
Energiklipp, Trädklipp, Energiakoura med hydraulisk skogsklo/ gripare - 100% HARDOX
DETALJER
DELEKS® Energiklipp skogsklo - Italiensk produktion - 100% Hardox, stålblad härdad, är designat för allsidigt professionell användning och är lämplig för mindre grävmaskiner upp till 2 ton eller monterat framför på en minilastare, teleskoplastare eller traktor.
ÖVERSIKT
CF-10 är optimal för att lasta mindre trästockar och ved, för att röja på marker och till vägsidor. DELEKS® CF-10 mingrävarens hydrauliska kniv kan samla ihop mindre träd och pinnar med griparen för sen att skära över dem. Kniven har ett kraftigt härdat blad som vill skära rent och säkert genom tömmer.
Finns med koppling till minigrävare (på begäran).
Denna kniv finns som fixerat eller kan roteras 360 grader med en hydraulisk rotor för att skära av träd eller skära över vältade träd.
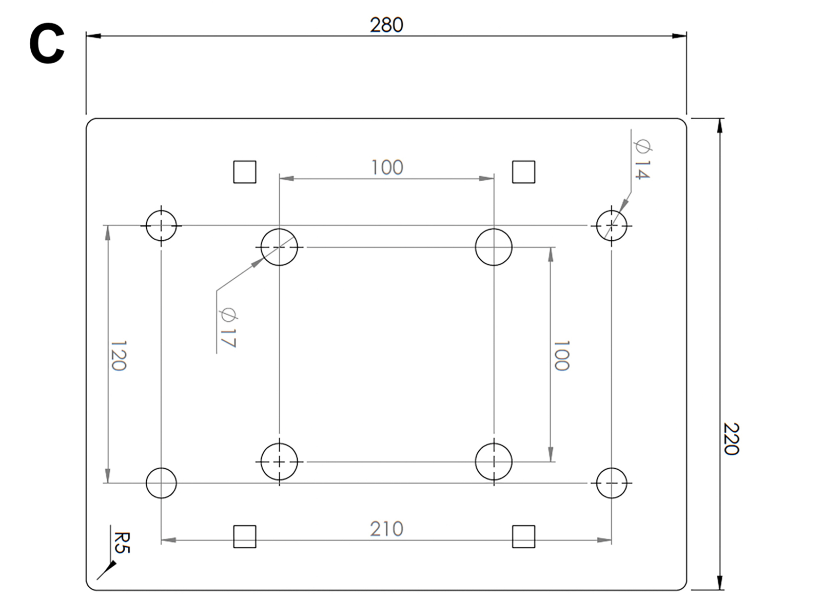
Plattfästes mått: Se ritning C.
FÖRDELAR & FUNKTIONER
Tillverkad av 100% HARDOX för maximal vridmotstånd.
Kniv – Tillverkad i Italien, härdad 43 HRC.
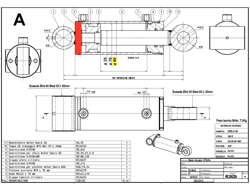
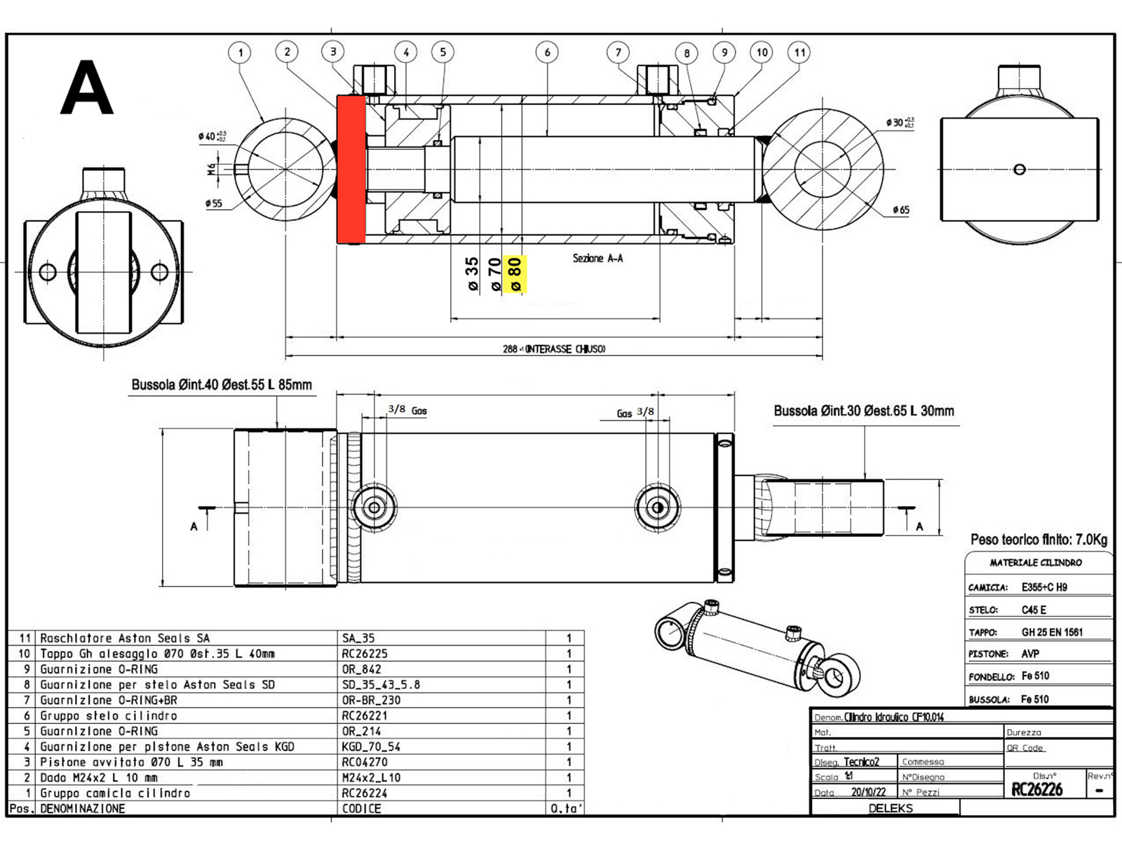
Hydraulcylinder speciellt utformad för denna användning med förstärkt botten för att bära höjd
laster (se ritning A).
Stift i specialmaterial 42CrMo4 på ø30 och ø35 mm (se ritning B).
Lätt att montera och använda.
CF-10 är den smalaste kniven inom sin kategori och dets lätta vikt gör at minigrävaren bibehåller sin kapacitet.
Skärning direkt vid jorden -> låga stubbar: DELEKS® CF-10 skär fint och precist trä som ska användas vid den önskade punkten över jorden och dets tekniska funktioner säkrar att stubbar bli skurit över lågt vid jorden.
2-in-1 skärning och lasting: Om det behövs kan kniven avmonteras och träskäraren fungerar då i stället som en skogsklo.
EGENSKAPER
| Karakteristik | Mätt Metrisk |
|---|---|
| Vikt | 52.0 kg |
| Skärdiameter på trästockar | 90-120 mm |
| Min./Max tryckuttag | 150 - 210 bar |
| Min./Max flöde | 08/22 l/m |
| Max. öppning | 540.0 mm |
| Hydraulisk cylinder, diameter | 80.0 - 35.0 mm |
| Grävmaskinens räckvidd | 1.0 - 2.0 tonn |
| Emballerad förpackningsstorlek | 600.0*800.0*450.0 mm |
DETALJER
STÄNGDELEKS® Energiklipp skogsklo - Italiensk produktion - 100% Hardox, stålblad härdad, är designat för allsidigt professionell användning och är lämplig för mindre grävmaskiner upp till 2 ton eller monterat framför på en minilastare, teleskoplastare eller traktor.
ÖVERSIKT
CF-10 är optimal för att lasta mindre trästockar och ved, för att röja på marker och till vägsidor. DELEKS® CF-10 mingrävarens hydrauliska kniv kan samla ihop mindre träd och pinnar med griparen för sen att skära över dem. Kniven har ett kraftigt härdat blad som vill skära rent och säkert genom tömmer.
Finns med koppling till minigrävare (på begäran).
Denna kniv finns som fixerat eller kan roteras 360 grader med en hydraulisk rotor för att skära av träd eller skära över vältade träd.
Plattfästes mått: Se ritning C.
FÖRDELAR & FUNKTIONER
Tillverkad av 100% HARDOX för maximal vridmotstånd.
Kniv – Tillverkad i Italien, härdad 43 HRC.
Hydraulcylinder speciellt utformad för denna användning med förstärkt botten för att bära höjd
laster (se ritning A).
Stift i specialmaterial 42CrMo4 på ø30 och ø35 mm (se ritning B).
Lätt att montera och använda.
CF-10 är den smalaste kniven inom sin kategori och dets lätta vikt gör at minigrävaren bibehåller sin kapacitet.
Skärning direkt vid jorden -> låga stubbar: DELEKS® CF-10 skär fint och precist trä som ska användas vid den önskade punkten över jorden och dets tekniska funktioner säkrar att stubbar bli skurit över lågt vid jorden.
2-in-1 skärning och lasting: Om det behövs kan kniven avmonteras och träskäraren fungerar då i stället som en skogsklo.
EGENSKAPER
STÄNG| Karakteristik | Mätt Metrisk |
|---|---|
| Vikt | 52.0 kg |
| Skärdiameter på trästockar | 90-120 mm |
| Min./Max tryckuttag | 150 - 210 bar |
| Min./Max flöde | 08/22 l/m |
| Max. öppning | 540.0 mm |
| Hydraulisk cylinder, diameter | 80.0 - 35.0 mm |
| Grävmaskinens räckvidd | 1.0 - 2.0 tonn |
| Emballerad förpackningsstorlek | 600.0*800.0*450.0 mm |
English
